Электрика разводка в доме. Необходимые инструменты для работы
- Электрика разводка в доме. Необходимые инструменты для работы
- Разводка электрика в деревянном доме. Предварительная подготовка к установке проводки в деревянном доме своими руками: схемы и другие компоненты проектной документации
- Электрика разводка в частном доме. В чём необходимость схемы?
- Видео я строю!: Разводка электропроводки по дому. 2часть
Электрика разводка в доме. Необходимые инструменты для работы
Прежде чем выполнять монтаж электропроводки в частном доме своими руками, нужно подготовить все инструменты и материалы, которые будут использоваться в работе. Не имея понятия об электричестве и хотя бы базовых знаний по его распределению внутри дома, сделать все самостоятельно будет довольно трудно. Тщательная подготовка обезопасит и облегчит процесс.

От счетчика должны исходить самые мощные кабеля, выдерживающие необходимую нагрузку.
Разводка электропроводки в частном доме выполняется с помощью таких инструментов:
- пассатижи;
- шуруповерт;
- штроборез – болгарка с дисками, если проводка будет закладывать внутри бетонных стен;
- молоток;
- зубило;
- ножницы или острый нож для нарезки кабеля;
- рулетка;
- шпатель.
Кроме того, нужно подготовить такие расходные материалы:
- электрический счетчик;
- кабеля различных сечений;
- УЗО – автоматическое устройство защитного отключения;
- клемники;
- розетки, выключатели, установочные коробки под них;
- распределительные коробки;
- алебастровая смесь для закрепления проводов в каналах;
- пластиковые короба – если электропроводка будет наружной;
- саморезы;
- клей.

Чтобы заранее подготовить все необходимые инструменты и материалы, нужно рассчитать, сколько их понадобится в процессе работы.
От электросчетчика должен выходить медный многожильный кабель. В зависимости от сложности и объема электропроводки его подводят к нескольким распределительным коробкам. От них пойдут кабеля более тонкого сечения, рассчитанные на меньшую мощность. Прежде чем начинать монтаж электропроводки в доме, желательно составить подробный план, чтобы рассчитать нужное количество всех элементов и расходных материалов.
Разводка электрика в деревянном доме. Предварительная подготовка к установке проводки в деревянном доме своими руками: схемы и другие компоненты проектной документации

План монтажа компонентов системы электропитания в двухэтажном коттедже
Подобную схему электрики в деревянном доме своими руками можно сделать на основе имеющейся проектной документации. При работе с планировками отдельных помещений устанавливают точные места размещения двух групп приборов: освещения и розеток . Каждая из них подключается к сети питания отдельно. Также пригодятся следующие советы опытных специалистов:
- На плане отмечены места установки изделий с учетом действующих стандартов. Однако некоторые правила можно нарушить. Чтобы снизить нагрузку на спину во время уборки, розетки для подключения пылесоса поднимают на удобный для пользователей уровень (80-110 см от уровня финишного напольного покрытия).
- К нагревателю воды, стиральной машине , иным мощным потребителям прокладывают отдельную линию электропитания. Ее рассчитывают специально с учетом реальных нагрузок, защищают с применением рассмотренных выше методик.
- На рисунке приведен пример электропроводки в деревянном доме. В действительности надо тщательно продумать собственные потребности. По отношению к розеткам надо помнить о простой практической рекомендации: «Устанавливайте их с запасом». На каждые 5-7 м периметра комнаты надо монтировать один прибор. Количество увеличивают в местах последующей установки компьютерной, аудио и
- При оснащении кладовок, иных помещений без естественного освещения, выключатели монтируют снаружи.
- Во всех местах их устанавливают на удобной для пользователей высоте, неподалеку от дверных проемов . Делают соответствующие коррекции при монтаже приборов около стационарных диванов, кресел. Этот пункт поясняет необходимость использования планировок с нанесенным расположением мебели.
Электрика разводка в частном доме. В чём необходимость схемы?

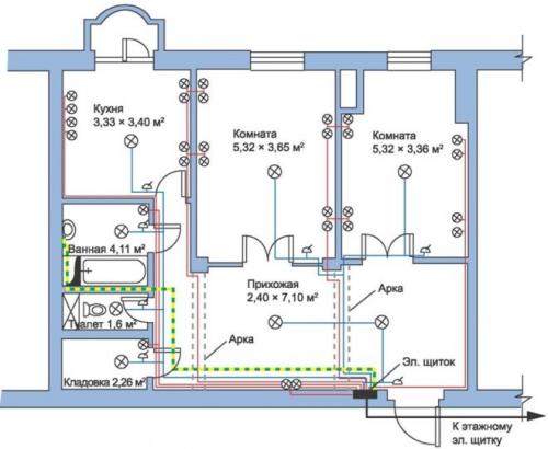
Схема электропроводки в частном доме представляет собой чертёж, на который наносятся все основные узлы электроснабжения:
- Вводная линия, которая выполняется отводком от магистральной линии электропередачи до самого дома.
- Место установки распределительного щитка.
- Защитные устройства и счётчик электрической энергии.
- Места установки распределительных коробок, выключателей и розеток в комнатах и помещениях.
- Пути разводки электропроводки от распределительных коробок до коммутационных аппаратов.
- Места установки элементов осветительной сети (люстры, бра, светильники).
К тому времени как делать электропроводку в доме, желательно уже чётко определиться, где будет расположена основная бытовая техника – холодильник, кондиционер, стиральная машина, водонагреватель, посудомоечная машина. Это нужно для того, чтобы сразу монтировать розетки рядом с техникой, а не протягивать потом через всю комнату переноски.

Если ваше строение относится к типовому, которое возводилось строительной компанией (так сейчас строят целые коттеджные посёлки), то вам должны быть предоставлены проект здания и схема разводки. В случае, когда строительство выполняется самостоятельно, для каждого дома разрабатывают свою персональную схему. Но в обоих вариантах основные назначения схемы одни и те же:
- Если имеется готовый схематический чертёж, можно составить перечень материалов, которые понадобятся, чтобы выполнить монтаж электропроводки в доме. Это поможет сэкономить денежные средства. То есть, имея на руках перечень, можно пройти по разным торговым точкам, спокойно определиться, выбрать наиболее качественные и подходящие по цене электротовары. Вы не купите ничего лишнего и в то же время избавите себя от ситуации, когда уже делается монтаж, а каких-то материалов не хватает, и вы срочно бегите в первый попавшийся магазин покупать их по любой цене.
- Схема разводки даст возможность определить максимальную нагрузку каждого электрического узла, что позволит правильно подобрать сечение проводов, посчитать общую мощность, выбрать нужные защитные устройства и вводной кабель.
- Также схема поможет вам грамотно и рационально распланировать очерёдность выполнения работ.