Чертёж винтовой лестницы без опоры. Лестница винтовая на второй этаж, преимущества конструкции
- Чертёж винтовой лестницы без опоры. Лестница винтовая на второй этаж, преимущества конструкции
- Перила для винтовой лестницы своими руками. Расчеты
- Как спроектировать винтовую лестницу. Расчет винтовой лестницы – Онлайн-калькуляторы с чертежами
- Винтовая лестница на 90 градусов. Винтовая лестница: какой диаметр выбрать?
- Винтовая лестница из металла. Виды металлических лестниц
- Винтовая монолитная лестница чертеж. Монолитная лестница на чертежах: основные требования и технология монтажа
- Лестница винтовая на второй этаж. Основные моменты
- Винтовая лестница размеры. Расчет винтовой лестницы. Диаметр лестницы и длина ступеней. Определение основных параметров и формы ступеней
Чертёж винтовой лестницы без опоры. Лестница винтовая на второй этаж, преимущества конструкции

Компактная конструкция винтовой лестницы позволит решить те задачи, которые были недоступны другим конструкциям лестниц, а также в сочетании с металлом, они дают несомненный выигрыш, а именно:
1. Компактность. Лестница винтовой конструкции имеет совсем небольшие размеры благодаря одной единственной опоре, вокруг которой располагаются все ее конструктивные элементы. Для того, чтобы полноценно пользоваться винтовой лестницей можно выделить не более полутора квадратных метров площади. Это в несколько раз меньше, если сравнивать с традиционными конструкциями.

2. Доступность. Винтовые лестницы цены на которые обусловлены только затратами на материал и изготовления в заводских условиях или условиях мастерских, гораздо ниже маршевых конструкций, поскольку все детали конструкции могут быть унифицированы и не требовать подгонки по месту.

3. Простота монтажа и изготовления. Принцип изготовления металлических винтовых лестниц прост, нужно просто обладать определенными базовыми умениями и владеть элементарным инструментом, чтобы была изготовлена винтовая лестница своими руками из металла Чертежи и схемы также совсем не сложные доступны для понимания и прочтения без какой-либо подготовки.

4. Функциональность. Винтовая лестница, кроме того, что может стать основным средством подъема на второй этаж, может быть использована, как дополнительный способ, благодаря маленьким размерам и существовать наряду с маршевыми лестницами.

Тем не менее, многие указывают и на некоторые недостатки, которые есть у винтовой металлической лестницы. Как правило, предметами нападок становятся ступени — не всегда удается выполнить их с достаточной шириной. Иногда она может стать источником повышенной опасности, особенно, если говорить о пожилых людях.

Перила для винтовой лестницы своими руками. Расчеты
Процесс изготовления начинается с расчета всех необходимых параметров. В качестве примера рассмотрим случай, когда нам необходимо сделать конструкцию шириной 85 см и высотой 2,7м с центральной опорой, имеющей диаметр 20 см.
Вначале определяем общий диаметр нашего будущего изделия. Он будет равен умноженной на два толщине лестницы плюс диаметр опоры. То есть – 85*2+20=190 см.
В эту окружность нужно вписать второй круг. Вдоль него будет подниматься человек. Ее радиус обозначим как R1. Он высчитывается как сумма половины ширины конструкции и половины радиуса центральной стойки. В нашем случае это будет выглядеть так: 85:2+20:2=52,5 см

Мраморная лестница – красота и надежность
Что касается ширины ступеней, то она составляет не более 40-44сантиметров. Самодельные винтовые лестницы имеют здесь одну особенность. У них эта ширина будет возрастать по мере удаления от центра лестницы. Поэтому для вычислений мы будем использовать среднее значение, равное 20 см.
Теперь определим число ступеней в одном витке конструкции — разделим длину второй окружности на ширину ступени. Выглядит это так: (2*3,14*52,5)/20=16,4. Данный результат округляем и получаем 16 ступеней.
Следом вычисляем примерную высоту ступенек. С этой целью разделим окружность радиальными линиями на 16 одинаковых частей.
При этом отметим следующее. Чтобы лестница оказалась удобной в процессе эксплуатации, последняя ступень витка должна находиться выше первой на высоту человеческого роста. Вдобавок нужно учесть толщину ступеней и добавить небольшой запас, равный 10-15 сантиметрам.
Приняв средний рост человека за 185 см, толщину ступеньки в 4 см, плюс запас в 15 см, получаем высоту витка, равную 204 см.
Это значение мы разделим на количество ступеней: 204/16=12,75. Таким образом, мы получили высоту ступеней, которая будет составлять 12,7 см.
Следующим нашим шагом станет расчет общего количества ступеней. Инструкция по вычислению здесь проста – мы разделим высоту всей лестницы на высоту одной ступеньки. Выглядит это так: 270/12,7=21,2. Округляем и получаем 21 штуку.

Рассчитываем ступеньки
Теперь нам нужно вычислить окончательную высоту ступени. Для этого высоту конструкции разделим на число полученных элементов: 270/21=12,85. Это означает, что данный параметр будет равен 12,8 см.
Как спроектировать винтовую лестницу. Расчет винтовой лестницы – Онлайн-калькуляторы с чертежами
Для того чтобы начать расчет винтовой лестницы, выберите один из предложенных вариантов:
Винтовые (спиральные) лестницы – наиболее компактный и трудновозводимый тип лестничной конструкции, в котором роль основного несущего элемента для ступеней выполняет центральный столб (стойка) и балясины ограждения. Главным преимуществом винтовых сооружений по сравнению с маршевыми, является применимость в условиях крайне ограниченного пространства (до 2 м в диаметре) и относительно низкая стоимость на материалы.
Онлайн-калькуляторы расчета винтовых лестниц позволяют рассчитать конструкцию и получить готовый проект своими руками , включая подсчет количества материалов на изготовление всех элементов, комплект детализированных чертежей и интерактивную 3D-модель для визуальной оценки сооружения. Все расчеты программы автоматически сохраняются в личном кабинете пользователя и доступны для скачивания в любое время. Также результаты можно отправить по электронной почте, в социальные сети или сохранить в закладки.
Инструменты будут полезны опытным мастерам профессионально занимающихся производством и сборкой лестниц, поскольку значительно упрощают типовые расчеты и сохраняют большое количество времени, которое можно эффективнее использовать для других целей. Для начинающих умельцев, наши калькуляторы позволяют исключить случайную ошибку при вычислениях и предоставляют практически готовую смету и шаблоны для изготовления отдельных компонентов конструкции.
КАЛК.ПРО – разработчик современных интерактивных строительных калькуляторов, предназначенных для автоматизации и упрощения типовых расчетов. Мы активно сотрудничаем с профильными организациями для того чтобы вы могли пользоваться наиболее функциональными и проработанными инструментами.
Функциональные возможности калькулятора
- винтовые лестницы из металла
- винтовые лестницы из дерева
- винтовые лестницы из бетона
- винтовые лестницы на произвольной опоре
На наших калькуляторах вы можете произвести расчет винтовой лестницы онлайн из любого материала и на произвольной опоре. Размеры отдельных конструктивных элементов рассчитываются с точностью до десятых долей миллиметра, поэтому в некоторых ситуациях требуется самостоятельно учитывать возможные незначительные погрешности. Также обращаем внимание, что необходимо следить за величиной запила, которая также может оказывать влияние на конечный размер детали.
По завершению расчета, программа предоставляет комплексный отчет со сметой на изготовление всех конструктивных элементов винтовой лестницы (стержень, опорный поворотный столб, ступени…) с оптимальным расходом материалов. Также получившийся проект оценивается программой на «удобство» эксплуатации по таким параметрам как: угол наклона марша, ширина лестницы, ширина проступи, высота ступеней.
Расчеты на нашем сайте позволяют избежать большинства проблем с подготовкой материалов перед изготовлением – все металлические элементы и пиломатериалы рассчитываются в точности по указанным размерам.
Как рассчитать винтовую лестницу по своим параметрам?
Калькулятор позволяет легко рассчитать винтовую лестницу по своим параметрам любой необходимой конфигурации – программа доступна для большинства пользователей, поскольку взаимодействие с интерфейсом не требует специальных знаний. Чтобы начать расчет, необходимо ввести наиболее точные значения имеющегося проема в поля программы и подобрать остальные параметры на основании требований ГОСТ, СНиП и ТУ.
Помните, что надежная конструкция – залог безопасной эксплуатации, поэтому крайне важно ознакомиться с положениями документов: СНиП IV-14-84 «Сборники укрупненных сметных норм. Конструкции и виды работ производственного строительства», СНиП 21-01-97 (СП 112.13330.2011) «Пожарная безопасность зданий и сооружений», СНиП 31-02-2001 (СП 55.13330.2010) «Дома жилые одноквартирные», СНиП 2.08.01-89 «Жилые здания», СНиП 2.08.02-89 (СП 118.13330.2011) «Общественные здания и сооружения», СНиП 2.01.07-85 (СП 20.13330.2010) «Нагрузки и воздействия», ГОСТ 20850-2014 «Конструкции деревянные клееные несущие», ГОСТ 23120-78 «Лестницы маршевые, площадки и ограждения стальные».
Если у вас все равно возникли вопросы при заполнении полей в интерфейсе, рекомендуем прочитать наши статьи – установка лестницы и оптимальный угол наклона лестницы .
Винтовая лестница на 90 градусов. Винтовая лестница: какой диаметр выбрать?
При расчете размеров винтовой лестницы первым делом нужно измерить габариты проема в перекрытии (это необходимо для того, чтобы определить длину проступи) и расстояние между соседними этажами (для получения информации о нужном количестве ступеней).
Кроме того, важно заранее продумать угол закручивания конструкции. При прохождении полного круга по лестнице, наверху движение заканчивается в том же месте по горизонтали, где оно начиналось внизу. Если конструкция будет находиться в центре помещения, вход и выход можно сделать в любом месте.
Но если она будет располагаться возле стены или в углу, то нужно обязательно обратить внимание на направление вращения и определить точки входа и выхода. В некоторых случаях придется отказаться от вращения конструкции на 360° и за основу придется взять другой угол.
В домах с мансардой важно учитывать высоту до перекрытия, для того, чтобы конструкции мансарды не создавали проблем при перемещении по лестнице и выходе с нее.
Перед началом строительства конструкции нужно составить проект, где будет указана длина проступи и общее количество ступеней.
Допустим, нужно изготовить винтовую лестницу с поворотом на 360°, диаметром 2 метра и высотой 3 метра.
Расчеты в этом случае выполняются по следующей схеме: для нахождения длины окружности по линии движения применяется формула L = 2πr (r = 2R/3), потому что средняя линия движения по лестнице располагается на расстоянии 2/3 от радиуса лестницы.
В итоге получается, что длина окружности составит L = 4πR/3, то есть, 4×3,14×1000/3, что дает в результате расчетов 4187 мм или 4,19 метров.
При помощи таких вычислений можно получить развертку конструкции, соответствующую обычной одномаршевой лестнице.
Заданная высота от пола до потолка верхнего этажа — 3 метра. Получается, что наиболее оптимально принять высоту ступенек 150 или 200 мм, в этом случае количество подъемов будет 15–20.
Для 15 подъемов понадобится 14 ступенек. Последняя одновременно является лестничной площадкой. Следует заметить, что расчет нужного количества ступенек производится обычным методом подбора.
Нужно просто поделить высоту этажа на некоторое примерное количество подъемов и посмотреть, какие в итоге получатся размеры ступенек и соответствуют ли они нормативу, то есть ширине обычного шага человека. Требования по безопасности можно найти в интернете и использовать при проектировании.
Все ступени винтовой лестницы забежные и оставляются открытыми, то есть без подступенков, поэтому рассчитывать размеры последних не потребуется.
Незначительное увеличение проступей никак не скажется на конструкции и нижняя ступенька всего лишь чуть глубже зайдет под верхнюю.
Ступени обычно нанизываются на стальную трубу с диаметром 5 сантиметров. Для повышения жесткости стойки и фиксации ступеней на нужной высоте между ними вставляются металлические гильзы и шайбы.
На основании проведенных расчетов определяется общий диаметр конструкции.
Ознакомиться с более подробной информацией вы можете, перейдя по ссылке ниже.
Винтовая лестница из металла. Виды металлических лестниц
Металлическая лестница по типу конструкции может быть:
- маршевой;
- винтовой.
Прямые лестничные марши более удобные и просторные, их легче проектировать и устанавливать, но при этом они занимают много места.
Винтовая лестница из металла обладает более компактной, но сложной конструкцией, что влечет за собой как положительные, так и отрицательные нюансы. Например, на лестничном марше с трудом разминуться два человека. А занести по ней диван или другую габаритную фурнитуру, практически, невозможно. Зато изделие может встать на минимальной площади и отлично подойдет для подъема на чердак, цокольный этаж или другое не сильно востребованное помещение. Эти особенности надо учитывать, выбирая тип лестницы.
Отличным решением может стать квадратная винтовая лестница, которая является синергией обеих конструкций и обладает лучшими сторонами каждой из них.
Металлические винтовые лестницы
Изготовление металлических лестниц предполагает использование разных техник по обработке металла:
- ковка;
- литье;
- сварка.
Первые две сложны в освоении и нам не подходят, а вот овладеть навыками сварочных работ можно за достаточно короткое время. Читайте дальше и Вы узнаете как сварить металлическую лестницу.
Выбираем металл
Теперь давайте определимся какой именно металл лучше использовать. Очень популярны чугунные винтовые лестницы, которые обязательно станут настоящим украшением дома. Такие изделия прочны, надежны, добротны и при этом красивы. Единственными, но решающими недостатками являются дороговизна и сложность производства.
Поэтому для изготовления винтовой лестницы мы будем использовать сталь – более дешевый и практичный материал. Есть еще алюминий, но он, как правило, применяется для производства комплектующих, например, перил. Для несущих элементов он не подходит.
Выбираем конструкцию
В зависимости от устройства несущего элемента, изделие может монтироваться:
- на косоурах . Ступеньки укладываются сверху на несущую балку и укрепляются на ней. Торцы ступеней остаются открытыми;
- на тетивах . Ступени крепятся на внутренней стороне несущих балок, торцы ступенек не видны.
- на больцах. Возможны два варианта, первый , когда несущая балка отсутствует, а ступени закрепляются на стене при помощи специальных болтов. И второй, когда изогнутая лестница имеет центральную опору, а ступеньки крепятся между собой больцами.
Винтовая монолитная лестница чертеж. Монолитная лестница на чертежах: основные требования и технология монтажа
Монолитная лестница на чертежах ведущих компаний и индивидуальных строителей представляется в виде прямой, маршевой и винтовой конструкции для внутреннего и внешнего размещения. Возведение производится на этапе постройки здания и является составным элементом всего сооружения. Она связана с основанием и плитами перекрытия, усиливая прочностные характеристики строения.

Схема бетонной лестничной установки
Основные требования
Для того, чтобы правильно произвести расчеты, по которым будет возводиться для ж/б лестница монолитная железобетонная, чертежи изделий создают с учетом рекомендуемых параметров :
- Угол наклона 25 – 35 гр.
- Высота ступенек от 15 до 18 см.
- Длина ступенем от 28 до 30 см.
- Ширина конструкций – 1 м.
- Промежуток между ступенями и потолком 2 м;
- Ширина ступенек 30 см.ъ
- Монолитная лестница на чертежи dwg имеет массу не более 2 т.
- Высота поручней варьирует в пределах 90 – 100 см.
- Расстояние между стойками перил 15 см.
- При отделке мрамором, создается специальное покрытие из резины или ковролина.
- Установка деревянных накладок производится с использованием подложки из фанеры.

Стандартная лестничная установка из бетона
Армирование прямой лестницы
Чертеж узла монолитной железобетонной лестницы представлен двумя вариантами:
- Оголением арматуры плиты, вязанием лестницы с приваривание нижних стержней лестничной конструкции к верхним пруткам плиты.
- Варится 2 швеллера по длине лестничной конструкции к швеллеру в перекрытии. Последний надевается на плиту, крепится на замкнутых заваренных прутках.
- Армирование монолитной лестницы по чертежам dwg производится между двумя швеллерами лестничной установки. К полкам приваривается нижняя рабочая арматура плиты.

Стандартное лестничное сооружение из бетона
Исходя от назначения и уровня нагрузки, можно применять бетон разных марок:
- Внешнего применения – конструктивный и увесистый материал.
- Внутреннего использования – пористый, легкий заполнитель
Принципы монтажа
При составлении схемы должны быть указаны промежутки между прутками и порядок их укладки.
Армирование монолитной лестницы по чертежам производится согласно схеме, обеспечивая надежное соединение отдельных элементов между собой. Этому способствует выбор технологии:
- Сварка;
- Вязка.

Типовая лестничная конструкция из бетона
Первый вариант обеспечивает оперативность процесса. Второй тип соединений обеспечивается пуском крючка, зафиксированного в шуруповёрте. Если такая возможность исключена, можно воспользоваться пластиковыми хомутами.
Внимание! Разбираясь по вопросу, как армируются лестницы ж б монолитные по чертежам, важно контролировать промежуток между металлическими изделиями и опалубкой – 3 см.
Облегчить соблюдение данного требования можно пластиковыми фиксаторами, образующими форму стула.
Дополнительные детали подкладывают под стержни на участках состыковки (с помощью сварки, проволоки). При этом исключены перекосы и неровности сетки.

Схематическое отображение лестничной конструкции из бетона
Чертежи монолитных винтовых лестниц отображают соединение силовой арматуры с применением отдельных кусков. Оно производится с нахлёстом стержней. После того, как будет сооружен базовый каркас, можно крепить сетку.
Создание бетонной установки производится в несколько шагов:
- Создание опалубки.
- Установка каркаса из арматуры.
- Заполнение бетонной смесью.
Возведение ступеней
Исходя из воздействия силы тяжести, наблюдаются следующие процессы:
- Растяжение внизу конструкции.
- Сжатие в верхней части сооружения.
Одномаршевые лестницы возводятся с армированием нижней части сооружения.
Для этого предусмотрено размещение сетки вверху конструкции (параметры ячеек – 10х10х0,5 см). Данная конструкция обеспечивает защиту поверхности от механического воздействия. Показатели жёсткости остаются неизменными. Двухмаршевые установки сооружаются с размещением каркаса в верхнем или нижнем положении.

Ступени из бетона для внутреннего размещения
Винтовые лестницы
Специфика установки заключается в возведении криволинейной опалубки, для которой необходимо большое число щитов и опор. При подготовке арматуры применяются разные прутки :
- Ø14 мм А 400 С;
- Ø8 мм А 400 С;
- Проволока Ø4 мм Вр-I.
Ступеньки и площадки укрепляются двойной сеткой.
Для марша применяется арматура Ø14 мм А 400 С.
Размер ячеек 15 см.
Поперечное армирование производится посредством проволоки Ø8 мм А 400 С. Площадка сооружается с арматурой Ø14 мм, шаг 20 см.
Разнесение двух сеток производится специальным фиксатором, который создается из арматуры Ø8 мм А 400 С. Высота сооружения 10 см.

Монолитные ступени внутренней установки
Связка сеток осуществляется крючками (12 см). Их монтаж осуществляется в шахматном порядке на продольной арматуре. Размещение производится через один стержень. Процесс начинается снизу вверх. При подготовке проекта могут возникнуть ошибки:
- Установка сооружения в проеме 150х150 см.
- Обустройство узких сооружений для полных и очень высоких пользователей.
Лестница винтовая на второй этаж. Основные моменты
Ниже мы постараемся максимально доступно рассказать о том, как смастерить винтовую лестницу, и на какие моменты необходимо обратить внимание в первую очередь. Самым простым вариантом считается металлическая конструкция – именно с нее рекомендуется начинать. Перед стартом работ необходимо прояснить важные моменты:
- Расстояние в высоту между крайними точками одного витка не должно быть менее 200 см, иначе при подъеме на ступеньку человек будет задевать головой верхние элементы.
- Следует рассчитать нагрузку, которую должна будет выдерживать площадка с центральной опорой – это среднестатистический вес двух человек в сумме с общим весом всей конструкции. Согласно этим данным и подготавливается основание.
- Повышенная прочность и надежность обеспечены тем лестницам, в которых смежные ступени соединяются между собой дополнительными кронштейнами, установленными на переднем и заднем ребре.
Тщательность в соединении элементов не будет лишней – это хорошо заметно на примере данной модели:

Деревянно-металлическая лестница
Можно использовать любой из готовых проектов, которых немало на специализированных сайтах в интернете – в этом случае не нужно будет производить трудоемкие расчеты, достаточно просто следовать инструкции. Но в любом случае будет полезно знать, из каких основных элементов состоит винтовая лестница:
- центральный опорный столб (может состоять из множества опорных цилиндров, но при самостоятельном изготовлении рекомендуется воспользоваться цельнометаллической опорой);
- площадка верхнего уровня;
- балясины – вертикальные стойки, на которые опирается поручень (перила);
- перила (поручень);
- ступени;
- пятак опоры (основание столба).
Могут использоваться дополнительные элементы в виде соединительных кронштейнов, ограждения проема на втором этаже, заходного столба ограждения – все зависит от конкретной модели изделия.
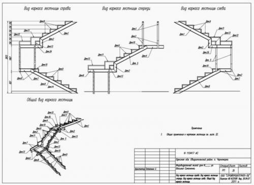
Для наглядности изучите следующий чертеж:

Типовая схема винтовой лестницы
Необходимо отметить, что подобный тип лестницы – не самый эргономичный и практичный. Вряд ли здесь будет удобно поднимать габаритные предметы, к тому же есть определенные риски при наличии в доме маленьких детей или пожилых людей.
Приступая к работе, обязательно нужно в первую очередь запастись чертежами: тщательно спроектировать всю конструкцию, продумать все элементы, произвести множество расчетов.
Винтовая лестница размеры. Расчет винтовой лестницы. Диаметр лестницы и длина ступеней. Определение основных параметров и формы ступеней
При недостатке жилой площади часто приходится выбирать такую конструкцию межэтажной лестницы, которая занимает минимум места. Оптимальным вариантом в таких случаях становится винтовая или спиралевидная конструкция. Чтобы построить её своими руками, прежде всего, нужно сделать расчет винтовой лестницы, определиться с её формой и габаритами.
В этой статье мы рассмотрим пример такого расчета для конструкции с центральной опорной стойкой как на картинке выше.

Винтовая лестница с центральной опорой
Какие данные требуются для расчета
Как и при определении параметров обычной прямой лестницы, нам потребуется измерить некоторые существующие размеры и составить проект. Ниже дана краткая инструкция, которая поможет вам в этом.
Величина проема (просвета) в перекрытии второго этажа
Проем может быть круглым или квадратным. Если он ещё не сделан, то при его изготовлении следует учесть, что диаметр будущей лестницы будет примерно на 20 см меньше, чем ширина просвета – по 10 см с каждой стороны необходимо оставить для перил.
Высота этажа
Измеряется между «чистым» полом нижнего и верхнего уровня.

Измерение высоты
Совет. Проще всего определить высоту этажа, опустив отвес, как показано на рисунке выше, и измерив длину бечевки с грузом.
Точки входа и выхода
Кроме этого нужно определить место входа на первую ступень и выхода с последней на втором этаже. Это даст нам возможность узнать угол закручивания конструкции и, соответственно, вычислить её длину. Выбирать вход и выход нужно с учетом положения лестницы в помещении и наличия препятствий, мешающих комфортному движению .
Например, если она располагается в углу или у стены, вариантов положения первой ступени остается не так много. А если второй этаж мансардного типа со скошенным потолком, верхняя ступень должна находиться в таком месте, чтобы при выходе расстояние между площадкой и перекрытиями было больше человеческого роста.
Составив чертеж и обозначив на нем точки входа и выхода, вы сможете определить угол закручивания.

На фото представлен чертеж лестницы с углом поворота 2700 или ¾ круга
Пример расчета
Предположим, что после всех измерений и определений мы имеем следующие данные:
- Ширина проема 200 см;
- Высота этажа 250 см;
- Угол закручивания 2700.
Исходя из этого, начинаем расчет винтовых лестниц.
Диаметр лестницы и длина ступеней
- Как уже упоминалось выше, диаметр должен быть несколько меньше ширины проема. Однако, если крепить балясины под поручни на край ступеней, общий диаметр можно не уменьшать. Но для расчетов все же принимаем его равным 180 см (200 – 20 = 180), т.к. нам важна именно рабочая, ходовая часть проступи.
- Длина ступени будет равна радиусу или половине диаметра: 180 : 2 = 90 см. При этом ходовая часть (ширина лестничного марша) окажется меньше на половину толщины опорной стойки. Но на расчеты это не влияет.
Длина лестницы
Чтобы упростить расчеты, нужно получить развертку винтовой конструкции, определив её длину по внешнему контуру и по линии движения.
Для этого воспользуемся формулами, известными всем из школьной программы.
- Длина окружности L = 2ПR. Подставив в формулу известное нам значение радиуса, получаем: 2 х 3,14 х 90 = 565 см. Но наша конструкция в плане не является полным кругом, поэтому полученное значение нужно умножить на ¾, что соответствует 2700. В итоге получаем протяженность лестницы по внешнему радиусу 424 см.
Внимание!
Если нужно сделать расчет полувинтовой лестницы (с углом поворота 1800), полученную длину окружности следует разделить на 2.
Если при этом полувинтовая конструкция является частью двухмаршевой поворотной лестницы, прямые и поворотные секции рассчитываются по отдельности.

Вместо площадки использованы забежные ступени
- Так как наиболее удобная линия движения по такой лестнице проходит на расстоянии 2/3R от её центра, то нужная нам расчетная длина будет равна 424 х 2/3 = 283 см.
Таким образом, мы получили данные, соответствующие прямой одномаршевой конструкции лестницы и позволяющие вычислить количество ступеней и их размеры.
Определение основных параметров
Зная высоту этажа и рекомендуемую высоту подъема на один шаг (15-20 см), можно подобрать количество ступенек. Примем высоту шага равным 17 см:
250 : 17 = 14,7 .
Округлим полученное значение до целого числа и получим точную высоту шага:
250 : 15 = 16,67 см.
Цифра получилась не очень удобной, так как при изготовлении подступенков придется каждый раз производить измерения с учетом сотых долей сантиметра. Чтобы избежать этого, округлим её до десятых (16,7 см), а первую ступеньку сделаем ниже:
250 – (14 х 16,7) = 16,2 см.
В итоге получаем высоту первой ступени 16,2 см, высоту всех остальных – 16,7 см. Всего их 15. Осталось вычислить ширину проступи по линии движения. Она должна попасть в «вилку» 20-40 см.

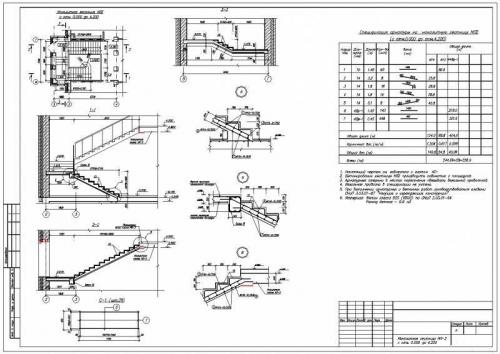
Чертеж деталей и конструкции в сборе
Разделим длину этой линии на количество проступей, т.е. на 14, так как последняя ступень уже является полом второго этажа. Получаем:
283 : 14 = 20,2 см.
Этого достаточно, чтобы стопа при спуске и подъеме полностью опиралась на проступь.