Винтовые лестницы из металла по чертежам своими руками. Ширина ступеней
- Винтовые лестницы из металла по чертежам своими руками. Ширина ступеней
- Винтовая монолитная лестница чертеж. Монолитная лестница на чертежах: основные требования и технология монтажа
- Чертеж винтовая лестница размеры. Чертежи и расчеты — их разработка
- Проект лестницы своими руками. Маршевые лестницы
- Лестница винтовая на второй этаж. Винтовые системы — виды, материалы
- Винтовая лестница своими руками из металла. Особенности проведения расчета
- Винтовая лестница на чертеже. Расчет винтовой лестницы – Онлайн-калькуляторы с чертежами
- Винтовая лестница своими руками чертежи. Металлическая винтовая лестница своими руками: чертежи, расчеты и этапы монтажа
Винтовые лестницы из металла по чертежам своими руками. Ширина ступеней
Чтобы рассчитать ширину проступка по внутреннему и внешнему краю, придется воспользоваться некоторыми математическими формулами. Поскольку ступени для винтовой лестницы будут иметь клиновидную форму и станут расширяться от центра к краям, точно задать значения ширины не получится без расчетов.
Не забываем рассчитать ширину ступеней
Значение глубины проступи у внутреннего края может быть выбрано произвольно, но не меньше 10 см, а ширина ступени по линии движения не должна быть меньше 20 см. Для того чтобы узнать ширину с наружной части, нужно посчитать длину окружности по этой внешней линии по формуле: L = 2πR, где: L – длина окружности, R – радиус окружности по внешнему краю, π = 3,14).
Если угол поворота лестницы на 360 градусов, и она не представляет собой полную окружность, то полученное значение длины окружности умножают на отношение угла поворота спроектированной конструкции к 360 градусам (например, для 270 градусов это будет 270 / 360 = 0,75). Получив длину окружности по внешнему краю лестницы, разделить полученное число на количество ступеней.
Полученное значение – это ширина проступка по внешнему краю, но чтобы убедиться в том, будет ли данная лестница удобна для перемещения по ней, нужно рассчитать их ширину по линии подъема, которая находится на 2/3 R.
Важно! Ширина по линии передвижения должна находиться в пределах 20-40 см. Если полученное число меньше, следует уменьшить число степеней. В этом случае другие параметры также придется пересчитать.
Рассчитав все величины, нужно выполнить чертеж будущей винтовой лестницы из металла, чтобы можно было своими руками воплотить проект в жизнь.
Винтовая монолитная лестница чертеж. Монолитная лестница на чертежах: основные требования и технология монтажа
Монолитная лестница на чертежах ведущих компаний и индивидуальных строителей представляется в виде прямой, маршевой и винтовой конструкции для внутреннего и внешнего размещения. Возведение производится на этапе постройки здания и является составным элементом всего сооружения. Она связана с основанием и плитами перекрытия, усиливая прочностные характеристики строения.

Схема бетонной лестничной установки
Основные требования
Для того, чтобы правильно произвести расчеты, по которым будет возводиться для ж/б лестница монолитная железобетонная, чертежи изделий создают с учетом рекомендуемых параметров :
- Угол наклона 25 – 35 гр.
- Высота ступенек от 15 до 18 см.
- Длина ступенем от 28 до 30 см.
- Ширина конструкций – 1 м.
- Промежуток между ступенями и потолком 2 м;
- Ширина ступенек 30 см.ъ
- Монолитная лестница на чертежи dwg имеет массу не более 2 т.
- Высота поручней варьирует в пределах 90 – 100 см.
- Расстояние между стойками перил 15 см.
- При отделке мрамором, создается специальное покрытие из резины или ковролина.
- Установка деревянных накладок производится с использованием подложки из фанеры.

Стандартная лестничная установка из бетона
Армирование прямой лестницы
Чертеж узла монолитной железобетонной лестницы представлен двумя вариантами:
- Оголением арматуры плиты, вязанием лестницы с приваривание нижних стержней лестничной конструкции к верхним пруткам плиты.
- Варится 2 швеллера по длине лестничной конструкции к швеллеру в перекрытии. Последний надевается на плиту, крепится на замкнутых заваренных прутках.
- Армирование монолитной лестницы по чертежам dwg производится между двумя швеллерами лестничной установки. К полкам приваривается нижняя рабочая арматура плиты.

Стандартное лестничное сооружение из бетона
Исходя от назначения и уровня нагрузки, можно применять бетон разных марок:
- Внешнего применения – конструктивный и увесистый материал.
- Внутреннего использования – пористый, легкий заполнитель
Принципы монтажа
При составлении схемы должны быть указаны промежутки между прутками и порядок их укладки.
Армирование монолитной лестницы по чертежам производится согласно схеме, обеспечивая надежное соединение отдельных элементов между собой. Этому способствует выбор технологии:
- Сварка;
- Вязка.

Типовая лестничная конструкция из бетона
Первый вариант обеспечивает оперативность процесса. Второй тип соединений обеспечивается пуском крючка, зафиксированного в шуруповёрте. Если такая возможность исключена, можно воспользоваться пластиковыми хомутами.
Внимание! Разбираясь по вопросу, как армируются лестницы ж б монолитные по чертежам, важно контролировать промежуток между металлическими изделиями и опалубкой – 3 см.
Облегчить соблюдение данного требования можно пластиковыми фиксаторами, образующими форму стула.
Дополнительные детали подкладывают под стержни на участках состыковки (с помощью сварки, проволоки). При этом исключены перекосы и неровности сетки.

Схематическое отображение лестничной конструкции из бетона
Чертежи монолитных винтовых лестниц отображают соединение силовой арматуры с применением отдельных кусков. Оно производится с нахлёстом стержней. После того, как будет сооружен базовый каркас, можно крепить сетку.
Создание бетонной установки производится в несколько шагов:
- Создание опалубки.
- Установка каркаса из арматуры.
- Заполнение бетонной смесью.
Возведение ступеней
Исходя из воздействия силы тяжести, наблюдаются следующие процессы:
- Растяжение внизу конструкции.
- Сжатие в верхней части сооружения.
Одномаршевые лестницы возводятся с армированием нижней части сооружения.
Для этого предусмотрено размещение сетки вверху конструкции (параметры ячеек – 10х10х0,5 см). Данная конструкция обеспечивает защиту поверхности от механического воздействия. Показатели жёсткости остаются неизменными. Двухмаршевые установки сооружаются с размещением каркаса в верхнем или нижнем положении.

Ступени из бетона для внутреннего размещения
Винтовые лестницы
Специфика установки заключается в возведении криволинейной опалубки, для которой необходимо большое число щитов и опор. При подготовке арматуры применяются разные прутки :
- Ø14 мм А 400 С;
- Ø8 мм А 400 С;
- Проволока Ø4 мм Вр-I.
Ступеньки и площадки укрепляются двойной сеткой.
Для марша применяется арматура Ø14 мм А 400 С.
Размер ячеек 15 см.
Поперечное армирование производится посредством проволоки Ø8 мм А 400 С. Площадка сооружается с арматурой Ø14 мм, шаг 20 см.
Разнесение двух сеток производится специальным фиксатором, который создается из арматуры Ø8 мм А 400 С. Высота сооружения 10 см.

Монолитные ступени внутренней установки
Связка сеток осуществляется крючками (12 см). Их монтаж осуществляется в шахматном порядке на продольной арматуре. Размещение производится через один стержень. Процесс начинается снизу вверх. При подготовке проекта могут возникнуть ошибки:
- Установка сооружения в проеме 150х150 см.
- Обустройство узких сооружений для полных и очень высоких пользователей.
Чертеж винтовая лестница размеры. Чертежи и расчеты — их разработка
Пожалуй, один из самых сложных моментов в работе над проектом винтовой лестницы – это создание чертежа.
Специалисты советуют разрабатывать чертеж винтовой лестницы только после создания подробного плана первого этажа.
Там должно обязательно быть указано место установки винтовой конструкции. А также в плане указываются точные размеры проема, при этом учитывается масштаб плана помещения.
В чертеже винтовой лестницы подробно указывают все параметры изделия. К ним относятся ширина плоскости наклона конструкции, толщина материала.
Чертеж с размерами винтовой лестницы
На их основе выполняются все расчеты, необходимые для последующей установки и монтажа лестницы. Расчеты деталей нужно делать внимательно, продумывая все до мелочей. В противном случае ошибки могут привести как к ненадежности изделия, так и к возможности получения травм при эксплуатации лестницы.
В расчетах важно учесть следующие моменты:
- Выбор подходящей для строительства лестницы площади и разработка чертежей. Лестничный вход на 2 этаж составляет не менее 2 кв. метров. К нему необходим доступ для проведения сборки конструкции.
- Расчет количества и расположения ступенек.
Схема устройства винтовой лестницы с центральной стойкой
Зачастую у спиральных лестниц нет подступенок. Из-за этого обязательно делают небольшой нахлест ступенек друг на друга в местах их сужения.
- Расчет наиболее удобной ширины шага для подъема и спуска по лестнице. Это необходимо для исключения запинаний за соседние ступеньки при ходьбе. Как правило, для того, чтобы подняться на второй этаж хватает всего 12 ступеней.
- Увеличение размера минимальной лестничной ширины. По стандарту ширина такой лестницы составляет 120 см. Градус уклона при этом составляет 45 градусов.
Проект лестницы своими руками. Маршевые лестницы
Рассчитать и смонтировать такую деревянную конструкцию для подъема на второй этаж своими руками вполне осуществимо и для новичков в столярном деле. Схему расчета параметров лестницы такого типа можно осуществить по формуле прямоугольного треугольника.
Где катеты (К1, К2) – высота и длина проема, а гипотенуза (Г) – длина лестницы: К12+ К22= Г2.
Например, высота проема – 3 000 мм (3 м), длина 4 000 (4 м): 9+16=25 (м2); соответственно, длина лестницы будет 5 м (5000 мм).
Количество ступеней можно рассчитать исходя из рекомендуемых нормативов. Берем за основу высоту 150 мм. Получаем: 3000/150=20 штук. Тогда глубина проступка будет 5000/20=250 мм. Если данные подставить в формулу расчета среднего шага человека, то получится: 300+250=550 мм, что значительно меньше рекомендуемого параметра (600-640 мм). В этом случае можно уменьшить высоту ступеней.
Чертеж с размерами маршевой лестницы
Еще один важный фактор, который следует учитывать при расчете и конструировании лестницы — высота прохода. У нас в примере задан параметр 3 000 мм, отнимаем от него рекомендуемый параметр 1900 мм, остается 1100 мм. Делим на высоту ступеней, получаем 1100/150= 7,33. С округлением выходит 7 штук. Остальные 13 должны размещаться под проемом второго этажа. Соответственно, его длина составит 13*250=3250 мм. Как правило, в таких случаях устанавливают поворотные конструкции.
Такие сооружения могут выполняться в двух вариантах:
- с переходными площадками;
- с поворотными ступенями.
Первый случай обеспечивает комфортное перемещение между уровнями, второй – экономит полезную площадь дома. Ширина площадки не должна быть меньше ширины марша.
Полученные данные из расчетов берутся как основа для выпилки деталей. Стоит учесть, что высота ступеней складывается из высоты подступенка и толщины проступи.
Схема устройства подступенок
Соответственно, этот момент следует учесть и при подготовке косоуров. Несмотря на свою основательность, маршевые пролеты для передвижения между этажами частного дома являются наиболее популярными. Чтобы сберечь полезную площадь, под такими конструкциями нередко оборудуют кладовку в доме , гардеробную, или используют как дополнительное полочное пространство.
Именно маршевые лестницы имеют наибольший ассортимент конфигураций. Схема сборки лестницы такого плана не отличается сложность и вполне осуществима своими силами. Материал для этих конструкций может быть самым разнообразным.
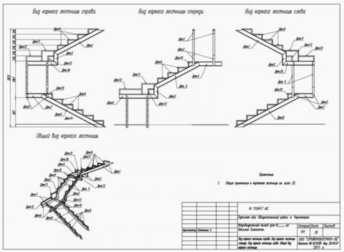
Лестница винтовая на второй этаж. Винтовые системы — виды, материалы
Спиральные лестницы устанавливают, как основные и вспомогательные — на второй этаж, в подсобные помещения, на антресольные этажи . По форме их делают круглыми, полукруглыми или многоугольными. На чертеже марш изображают в окружности, центром которой является опорный столб, а радиусом — длина ступени.

Выход на этаж осуществляется через квадратную, трапециевидную или треугольную площадку, подъем — по забежным ступеням, у которых наружный край шире внутреннего. Способ крепления проступей:
- на центральную стойку;
- на опору и стены проема;
- на стены проема, когда лестницу ставят между двумя стенами колодца;
- на гнутую тетиву и ограждения.

Винтовые лестницы, как правило, делают открытыми (без подступенков), чтобы ноге было больше места для опоры.

Стационарные марши проектируют на заказ, под конкретные размеры и геометрию помещения, для чего производят сложные расчеты ширины, высоты, поворота ступеней.

Готовые модульные системы имеют небольшие габариты, что позволяет ставить спиральные лестницы на даче или в небольшом частном доме при высоте между 1 и 2 этажом не больше 3 м. Преимущества сборных конструкций — скорость монтажа (3-6 часов), мобильность (можно демонтировать и переносить на другое место).

Для изготовления несущей части применяют дерево разных пород, металл: диаметр трубы — от 50 мм, и сплавы. Основное требование — устойчивость к нагрузкам не менее 150 кг/см. Деревянные ступени лучше делать из твердого дуба, бука. В мансардные или подвальные помещения, в дачные дома с сезонным проживанием уместно ставить недорогую сосну, прошедшую защитную обработку от воздействия влаги, механических повреждений. Поставив готовые деревянные ступени на металлический каркас, вы сэкономите на отделке.

Стеклянные элементы визуально облегчают конструкцию, хорошо пропускают свет. Прочный триплекс или закаленное стекло не подвержены появлению царапин, сколов. Поверхность можно сделать матовой, глянцевой или цветной, с рисунком. Особенно красива стеклянная интерьерная лестница с подсветкой.

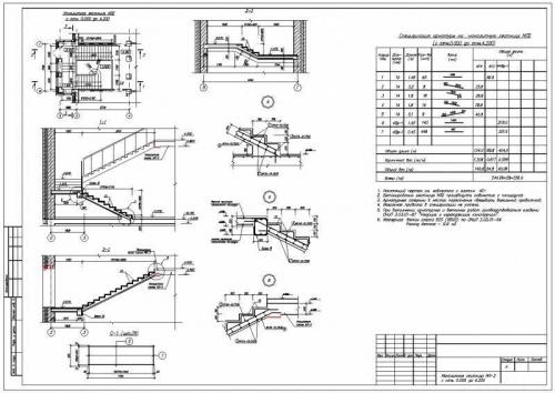
Винтовая лестница своими руками из металла. Особенности проведения расчета

Перед тем как изготавливать винтовые лестницы своими руками, чертежи подготавливаются мастерами, это позволяет исключать множество ошибок, справиться с которыми бывает очень сложно. Можете взять за основу параметры, которые представлены ниже.
Высота этажа, которая измеряется от поверхности пола первого до основания пола второго этажа, эквивалентна 3 метрам, при этом ширина лестницы равна одному метру. Диаметр стойки в данном случае эквивалентен 20 см. Теперь можно определить диаметр конструкции. Это цифра будет составлена из диаметра опорной стойки и двух ступенек, а точнее, их ширины. Таким образом, нужно будет произвести следующие расчеты: 2х1,0+0,2. В конечном итоге удастся получить значение, равное 2,2 м.
Когда изготавливаются винтовые лестницы своими руками, чертежи подготавливаются домашними мастерами, как правило, самостоятельно. Определив диаметр конструкции, необходимо начертить окружность. На следующем этапе рассчитывается радиус траектории передвижения. Для этого необходимо разделить на 2 диаметр опорной стойки, к которому следует прибавить ширину ступени. Расчет будет выглядеть следующим образом: (1+0,2)/2; необходимое значение эквивалентно 0,6 м.
Следующим шагом станет расчет количества ступеней, которое будет приходиться на 1 виток. Для этого длину траектории передвижения нужно разделить на ширину ступени. Конечное значение равно 18,84, тогда как расчет выглядит следующим образом: 2х3,14х0,6/0,2.
Если вами будет изготавливаться винтовая лестница на второй этаж своими руками, то важно определить и высоту ступени. Высота витка должна быть разделена на 19 частей. Шаг между первой ступенью и последней ступенью витка должен быть больше высоты человека. Принять в расчет можно цифру, равную двум метрам, к этому значению нужно прибавить 5 см, это позволит получить высоту витка, расчет при этом выглядит таким образом: 2+0,05; в итоге получается значение, равное 2,05 м.
Определить высоту ступени можно по представленной ниже формуле: 2,05/19. Цифра после расчетов равна 0,11 м. Конечное количество ступеней будет равно 28 штукам: 3/0,11. Получится цифра, равная 27,3. Ее следует округлить.
Вы можете принять за основные следующие параметры лестницы. Высота подъема эквивалентна 300 см, диаметр — 220 см, внутренний диаметр — 20 см, общий угол поворота — 510 градусов, толщина каждой ступени — 5 см, высота ступени — 11, 1 сантиметра. Что касается угла ступени, то эта цифра равна 18,9 градуса, длина ступени – это 100 сантиметров.
Винтовая лестница на чертеже. Расчет винтовой лестницы – Онлайн-калькуляторы с чертежами
Для того чтобы начать расчет винтовой лестницы, выберите один из предложенных вариантов:
Винтовые (спиральные) лестницы – наиболее компактный и трудновозводимый тип лестничной конструкции, в котором роль основного несущего элемента для ступеней выполняет центральный столб (стойка) и балясины ограждения. Главным преимуществом винтовых сооружений по сравнению с маршевыми, является применимость в условиях крайне ограниченного пространства (до 2 м в диаметре) и относительно низкая стоимость на материалы.
Онлайн-калькуляторы расчета винтовых лестниц позволяют рассчитать конструкцию и получить готовый проект своими руками , включая подсчет количества материалов на изготовление всех элементов, комплект детализированных чертежей и интерактивную 3D-модель для визуальной оценки сооружения. Все расчеты программы автоматически сохраняются в личном кабинете пользователя и доступны для скачивания в любое время. Также результаты можно отправить по электронной почте, в социальные сети или сохранить в закладки.
Инструменты будут полезны опытным мастерам профессионально занимающихся производством и сборкой лестниц, поскольку значительно упрощают типовые расчеты и сохраняют большое количество времени, которое можно эффективнее использовать для других целей. Для начинающих умельцев, наши калькуляторы позволяют исключить случайную ошибку при вычислениях и предоставляют практически готовую смету и шаблоны для изготовления отдельных компонентов конструкции.
КАЛК.ПРО – разработчик современных интерактивных строительных калькуляторов, предназначенных для автоматизации и упрощения типовых расчетов. Мы активно сотрудничаем с профильными организациями для того чтобы вы могли пользоваться наиболее функциональными и проработанными инструментами.
Функциональные возможности калькулятора
- винтовые лестницы из металла
- винтовые лестницы из дерева
- винтовые лестницы из бетона
- винтовые лестницы на произвольной опоре
На наших калькуляторах вы можете произвести расчет винтовой лестницы онлайн из любого материала и на произвольной опоре. Размеры отдельных конструктивных элементов рассчитываются с точностью до десятых долей миллиметра, поэтому в некоторых ситуациях требуется самостоятельно учитывать возможные незначительные погрешности. Также обращаем внимание, что необходимо следить за величиной запила, которая также может оказывать влияние на конечный размер детали.
По завершению расчета, программа предоставляет комплексный отчет со сметой на изготовление всех конструктивных элементов винтовой лестницы (стержень, опорный поворотный столб, ступени…) с оптимальным расходом материалов. Также получившийся проект оценивается программой на «удобство» эксплуатации по таким параметрам как: угол наклона марша, ширина лестницы, ширина проступи, высота ступеней.
Расчеты на нашем сайте позволяют избежать большинства проблем с подготовкой материалов перед изготовлением – все металлические элементы и пиломатериалы рассчитываются в точности по указанным размерам.
Как рассчитать винтовую лестницу по своим параметрам?
Калькулятор позволяет легко рассчитать винтовую лестницу по своим параметрам любой необходимой конфигурации – программа доступна для большинства пользователей, поскольку взаимодействие с интерфейсом не требует специальных знаний. Чтобы начать расчет, необходимо ввести наиболее точные значения имеющегося проема в поля программы и подобрать остальные параметры на основании требований ГОСТ, СНиП и ТУ.
Помните, что надежная конструкция – залог безопасной эксплуатации, поэтому крайне важно ознакомиться с положениями документов: СНиП IV-14-84 «Сборники укрупненных сметных норм. Конструкции и виды работ производственного строительства», СНиП 21-01-97 (СП 112.13330.2011) «Пожарная безопасность зданий и сооружений», СНиП 31-02-2001 (СП 55.13330.2010) «Дома жилые одноквартирные», СНиП 2.08.01-89 «Жилые здания», СНиП 2.08.02-89 (СП 118.13330.2011) «Общественные здания и сооружения», СНиП 2.01.07-85 (СП 20.13330.2010) «Нагрузки и воздействия», ГОСТ 20850-2014 «Конструкции деревянные клееные несущие», ГОСТ 23120-78 «Лестницы маршевые, площадки и ограждения стальные».
Если у вас все равно возникли вопросы при заполнении полей в интерфейсе, рекомендуем прочитать наши статьи – установка лестницы и оптимальный угол наклона лестницы .
Винтовая лестница своими руками чертежи. Металлическая винтовая лестница своими руками: чертежи, расчеты и этапы монтажа
Винтовая металлическая лестница
Особенности винтовых металлических лестниц
Конструкция металлической винтовой лестницы построена вокруг столба, расположенного в центре. Используется как опора для ступенек. Но тип крепления другой. Различают следующие варианты крепления:
- На болтах и втулках. Первые монтируются между ступенями и внешней балкой, поэтому соединяются между собой. С другой стороны, нужно установить стойки перил. Что касается использования гильз, то они представлены цилиндрическими участками трубы с диаметром больше диаметра опоры. Они позволяют закрепить ступеньки непосредственно на опоре на соответствующем уровне.
Предъявляемые требования
Все требования к винтовой лестнице следующие:
- Размеры проступи и подступенка могут варьироваться, но не превышать 60-65 см;
Преимущества металлических винтовых лестниц
При выборе между обычной маршевой лестницей и винтовой лестницей многие отдают предпочтение последней. Это связано с его преимуществами. Он позволяет сэкономить место в комнате, что для многих до сих пор актуально. Вся конструкция выровнена вокруг центральной колонны. Винтовую лестницу сделать своими руками намного проще, чем маршевую. К тому же такая конструкция выглядит оригинально и эффектно.
Основные виды
Изготовление металлических лестниц возможно с использованием различных методов обработки и материалов. По этой причине существует четыре основных типа:
- Кованые. Они изготовлены из стали с элементами художественной ковки.
Литые и кованые варианты лестниц привлекают необычным дизайнерским исполнением и респектабельным внешним видом. Поэтому они довольно дорогие. Сварные конструкции привлекают тем, что их легко изготовить самостоятельно.
Примечание! Часто изготовление металлических лестниц связано с использованием металла для создания несущего каркаса. А для облицовки используются такие материалы, как дерево или камень
Но можно использовать и другие отделочные материалы.
Советы по выбору
В небольшом и узком пространстве можно устанавливать только винтовые конструкции
Несмотря на это обстоятельство, важно обращать внимание на требования практичности и безопасности. Лестничный марш должен иметь достаточную ширину как для перемещения, так и для перевозки крупногабаритных предметов. Если лестница имеет диаметр менее 100 см, она не будет соответствовать этим параметрам
Это связано с тем, что шестерня окажется меньше полуметра
Если лестница имеет диаметр менее 100 см, она не будет соответствовать этим параметрам. Это связано с тем, что шестерня окажется меньше полуметра.
важно правильно выбрать угол наклона. Металлическая лестница на второй этаж не может иметь угол наклона более 45 градусов
В противном случае получится неудобная и небезопасная конструкция. Перила потребуется установить, если ступеньки крепятся широкой стороной к стене. В противном случае не только пожилые люди, но и маленькие дети будут испытывать дискомфорт при подъеме по лестнице.
Опора не должна выступать из перегородок из гипсокартона. Опора должна быть прочной. Ступени также отделаны декоративными материалами, которые не должны быть скользкими. Но можно установить и гофрированные накладки.
Как изготовить винтовую лестницу самостоятельно
С металлом работать сложнее, чем с деревом. Вам понадобится не только специализированное оборудование, но и некоторый опыт. Сделать винтовую лестницу из металла возможно, если есть опыт сварки.
В первую очередь важно произвести необходимые расчеты и выполнить по ним чертежи. Важно указать точное расстояние, которое должно быть между ступенями
необходимо определиться с их количеством и вариантом застежек. Выберите подходящую форму протектора. Легче использовать монтаж на болтах. Металлическая винтовая лестница своими руками изготавливается следующим образом:
- Трубы большого диаметра разрезаются на равные отрезки. Они должны соответствовать высоте ступеньки или высоте подступенка.